Desde $1.84 Con IVA : $2.13

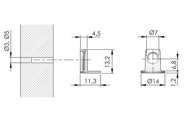
MAORI es el nuevo concepto en soportes para estantes de madera, se embute en el panel en el que se realizaron perforaciones frontales.
Es ideal para armarios modulares y muebles con espesores de 16 mm.
La base redonda pequeña del soporte lateral queda con un montaje en superficie con la parte inferior del estante, que hace lucir su acabado de manera sútil y elegante.
El panel debe empujarse hacia abajo sobre los soportes laterales, que pueden atornillarse en cualquier posición requerida.
Las ranuras del soporte lateral en la base de los soportes del estante hacen un click que bloquea el panel en su posición.
NOTA: Para la instalación del Soporte (360.183) se puede utilizar una broca de Ø12 mm.
| Marca | Italiana Ferramenta |
|---|---|
| Material | Aleación de zinc y plástico de ingeniería |
| Acabado | Niquelado |
| Espesor del panel | 15 mm |
| Especificaciones | Perforación Ø12 mm |
| Unidad de venta | Pieza |