Desde $138.38 Con IVA : $160.52

Con el sistema de bisagras TECTUS Glass, SIMONSWERK ha desarrollado una solución estética y funcional para puertas de cristal. Cristal, marco y bisagra integrados en un diseño minimalista.
EL SISTEMA DE BISAGRAS OCULTAS PARA PUERTA DE CRISTAL
Ideal, para oficinas o uso doméstico, además permite una protección acústica. El conjunto de la puerta ayuda así a la realización de interiorismo de actualidad.
EL CIERRE MAGNÉTICO
El cierre magnético KC 50 junto con la placa magnética KC 50/G permiten un cierre sin contacto ni ruido, el cual puede ser ajustado al peso de la puerta. La solución se completa con una manilla que se adapta perfectamente al conjunto. La instalación de otros componentes estándar del mercado es posible junto al uso de las propuestas de SIMONSWERK.
El sistema de bisagra de vidrio TECTUS es capaz de soportar hasta 80 kg. Esto corresponde a una puerta de cristal con unas dimensiones de aprox. 10 x 1000 x 2700 mm con vidrio de seguridad templado (ESG) 8 o 10 mm de espesor.
Los componentes de TECTUS GLASS son:
• Un par de bisagras ocultas TECTUS GLASS.
• Cierre magnético
• contra para cierre magnético
• Un par de jaladeras
*Se requiere de pegamento para contra metálica.
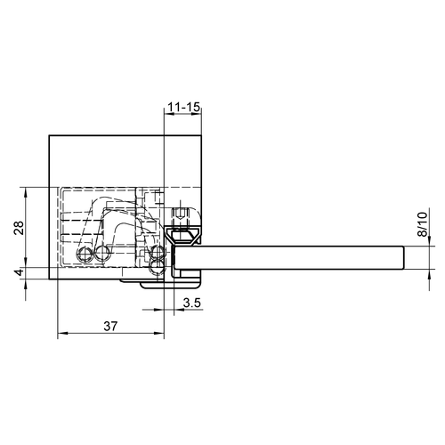
Las bisagras TECTUS Glass se ha desarrollado una solución estética y funcional para puertas de cristal. Permite el montaje enrasado de la puerta y el marco, lo que es ideal para un diseño minimalista y transparente.
La bisagra brinda un gran soporte a puerta y garantiza la perfecta fijación del vidrio, logrando una articulación asegura un funcionamiento fiable y duradero.
Ajustar la posición correcta de la puerta es muy sencillo y flexible. Al apretar los tornillos se produce una fijación efectiva. Además, se puede regular muy cómodamente el ajuste lateral en la bisagra y con ello conseguir una holgura uniforme respecto al marco.
Ideal, para oficinas o uso doméstico, además permite una protección acústica. El conjunto de la puerta ayuda así a la realización de interiorismo de actualidad.
EL CIERRE MAGNÉTICO
El cierre magnético KC 50 junto con la placa magnética KC 50/G permiten un cierre sin contacto ni ruido, el cual puede ser ajustado al peso de la puerta. La solución se completa con una manilla que se adapta perfectamente al conjunto.
El sistema de bisagra de vidrio TECTUS es capaz de soportar hasta 80 kg. Esto corresponde a una puerta de cristal con unas dimensiones de aprox. 10 x 1000 x 2700 mm con vidrio de seguridad templado (ESG) 8 o 10 mm de espesor.
Los componentes de TECTUS GLASS son:
• Un par de bisagras ocultas TECTUS GLASS.
• Cierre magnético
• contra para cierre magnético
• Un par de jaladeras
Nota: Se requiere de pegamento para contra metálica.
| Marca | Simonswerk |
|---|---|
| Línea | Tectus Glass |
| Material | Acero Inoxidable |
| Ancho | 28 mm |
| Alto | 160 mm |
| Espesor de la puerta | 6 - 8 mm |
| Capacidad de carga | 60/80 kg por par de bisagras |
| Ángulo de apertura | 180° |
| Unidad de venta | Pieza |