Desde $247.23 Con IVA : $286.79

CLIPo 16 H IS es un sistema de deslizamiento por la parte superior para dos puertas de madera con un peso de hasta 16 kg cada una, para aplicaciones empotradas. El mecanismo de rodadura está enganchado en una caja de 35 mm de diámetro en la parte posterior de la puerta y la puerta se puede ajustar manualmente con la rueda de ajuste integrada al mecanismo. Posibilidad de integrar un mecanismo de cierre suave dentro del riel (vendido por separado). La parte inferior del gabinete no requiere un riel de guía.
* CIERRE SUAVE OPCIONAL DENTRO DEL RIEL (230.103)
Set de herrajes CLIPo16 H IS
- 4 cajas para puerta de madera.
- 4 rodamientos.
- 2 guías inferiores.
- 2 topes.
- 1 mecanismo de rodadura.
- 8 tornillos para madera 3,5 x 15,5 mm.
- 2 tornillos de cabeza avellanada para paneles de aglomerado 4,5 x 16 mm.
Riel superior
• Material: Aluminio
• Acabado: Anodizado
• Medida: 2500 mm.
Riel inferior
• Material: Plástico
• Color: Negro
• Medida: 2500 mm
Tapas terminales para riel superior
• Necesarias para el cierre suave
• Acabado Gris
• Empaque con 2 tapas
![]()
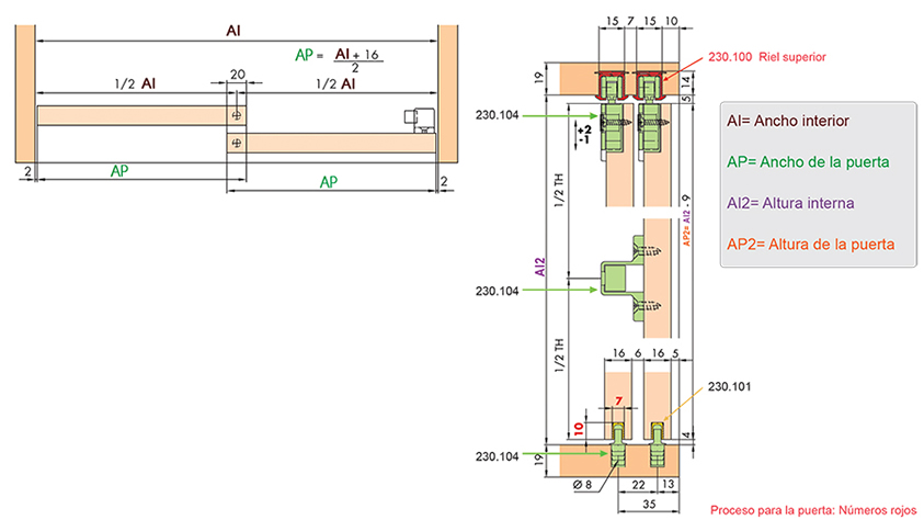
NOTA: Este dibujo señala capacidad y medidas de una sóla puerta
| Espesor de la puerta | 16 a 19 mm |
|---|---|
| Número de puertas | 2 |
| Peso máximo por puerta | 16 kg |
| Ancho del panel | Máx. 1000 mm |
| Altura del panel | Máx. 1400 mm |
| Longitud del riel | 2500 mm |
| Material del riel | Aluminio anodizado |
| Acabado del riel | Aluminio satinado |
| Unidad de venta | Set |