Herraje CLIP Z para instalación de paneles a pared

Herraje CLIP Z para instalación de paneles a pared

Aro giratorio, diámetro 305 mm. acero galvanizado

Aro giratorio, diámetro 305 mm. acero galvanizado

Sistema antipandeo ROSNET para puertas de madera

$201.38 Con IVA : $233.60

SKU
362.145
Disponible

Barra tensora anti-pandeo ROSNET para puertas de hasta 2400 mm de altura, para usarse con material de 16 a 19 mm de espesor. Este tensor se utiliza para estabilizar y alinear las puertas curvadas de madera. 

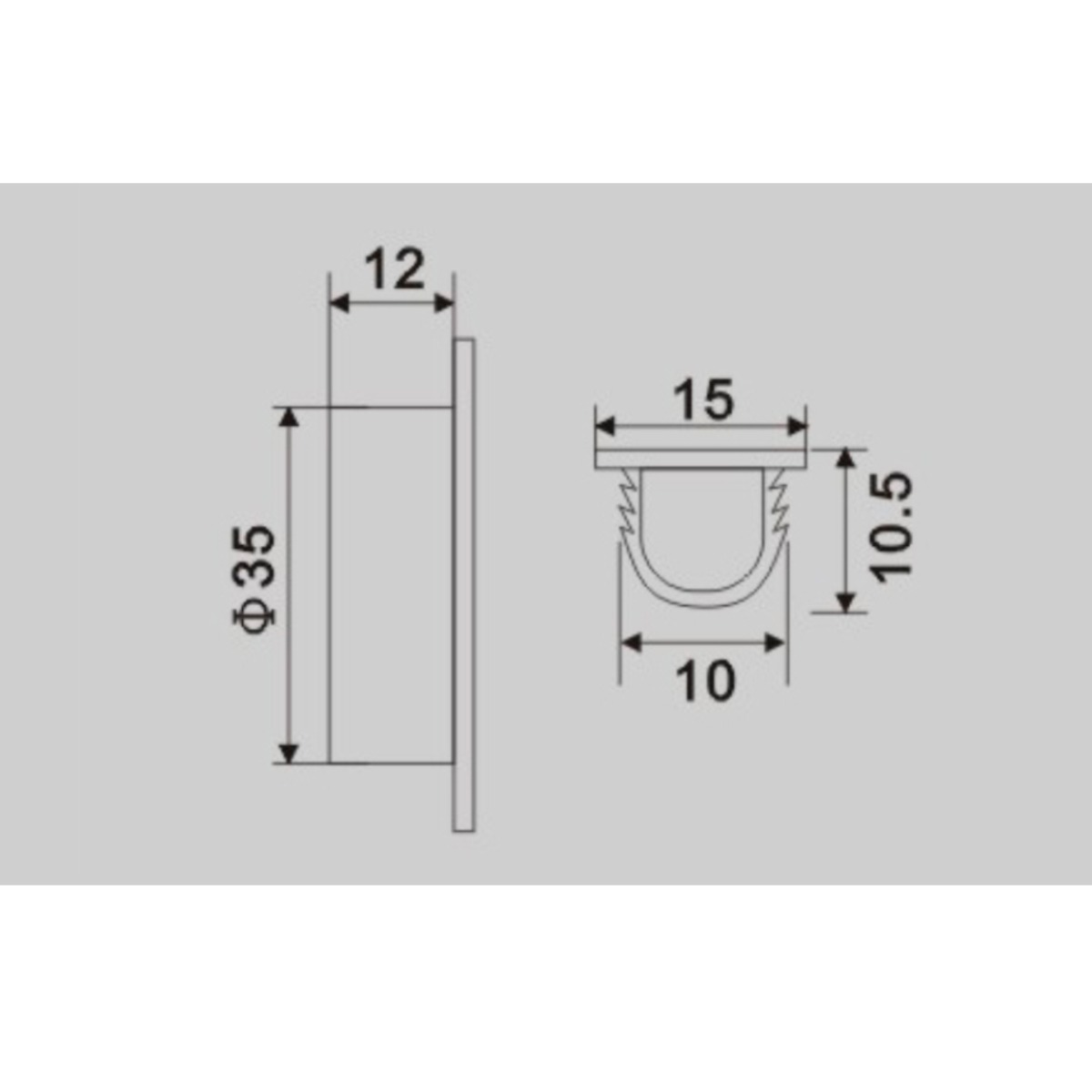
Requiere un maquinado de 10 mm x12 mm y dos cazoletas de 35 mm x13 mm la distancia máxima de la barra es de 2 metros.

Recorta la barra con cuerda y el perfil de aluminio de acuerdo con la distancia entre cazoleta, la barra con cuerda debe sobresalir del perfil de aluminio 20 mm. Las dos barras se conectan en medio con el cilindro conector.

Inserte la barra en el canal de 10 mm x 12 mm y los extremos en las cazoletas de 35 mm x13 mm, fije la barra con los 4 platos plásticos y sus tornillos al panel. Solo gire el cilindro conector con la llave y para agregar o quitar tensión en el panel.

- Distancia máxima de la barra 2000mm.

- Para puertas desde 800mm hasta 2400mm de altura.

- Incluye tornillería.

- Espesor mínimo 16mm.

Recomendación de instalación:

 - Instalar 2 barras de forma equitativa cuando la puerta tenga ancho entre 600 a 1200 mm.
 - Instalar 3 barras cuando la puerta tenga más de 1200 mm. de ancho.
 - El diámetro del maquinado para el soporte superior e inferior es de 35mm.

En el esquema, se marca las siguientes partes:

1. Placa
2. Placa
3. Barra
4. Tensor
5. Fijaciones

NOTA: La barra se puede recortar a la medida deseada, dejando 2 cm en el vástago.

Especificaciones
Material Aluminio
Espesor de panel mín. 16 mm - máx 19 mm
Unidad de venta Pieza
Acabado / Para panel de Zinc / 16 mm
Color Negro
pdf
(Tamaño: 2.2 MB)