Bisagra 105 grados de BLUM cubrimiento total

Bisagra CLIP top 105°, brazo recto, para atornillar, acabado niquelado (cubrimiento total)

Bisagra para puertas pequeñas de cristal 110°

Bisagra para puertas pequeñas de cristal 110°

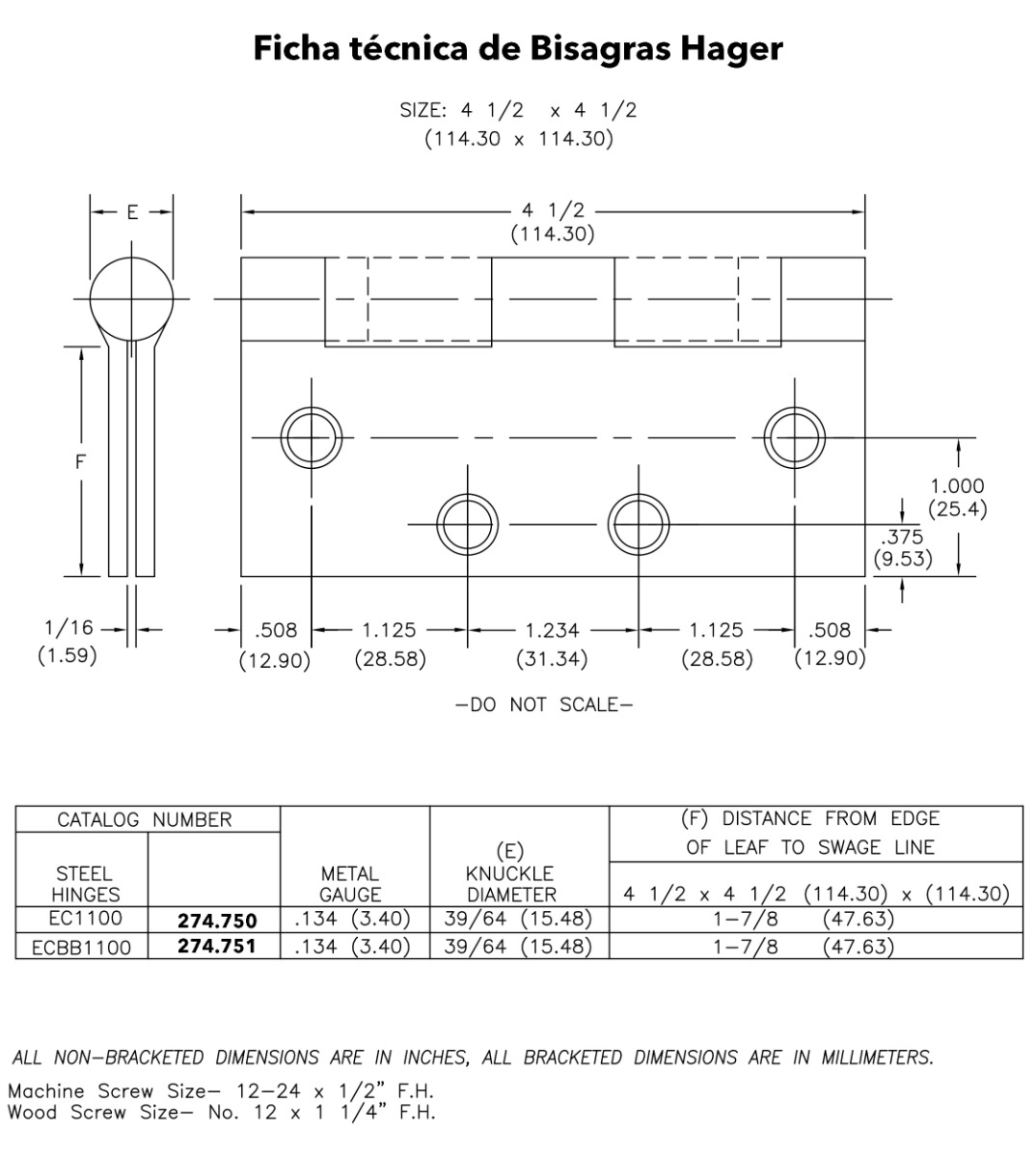
Bisagra plana de libro HAGER con baleros, para puertas, 4.5 x 4.5 pulgadas, acabado satinado

$258.34 Con IVA : $299.67

SKU
274.751
Disponible

Bisagra plana de libro, para puertas, con giro asistido por balines, modelo ECB1100.

Determinación del No. de bisagras para una puerta:

  Altura de puerta   Cantidad de bisagras   Capacidad de carga
  Hasta 1524 mm   2 Bisagras   40 kg
  De 1524 hasta 2286 mm   3 Bisagras   60 kg
  De 2286 hasta 3048 mm   4 Bisagras   80 kg

 

Especificaciones
Modelo ECB1100
Material Acero
Material Acero ANSI A8112
Capacidad de carga 40 Kg (2 bisagras) | 60 Kg (3 bisagras) | 80 kg (4 bisagras)
Longitud 4 ½” (114 mm)
Alto 4 ½” (114 mm)
Calibre 10
Color/Acabado Satinado
Especificaciones Incluye tornillería # 12 x 1-1/4”
Unidad de venta Pieza